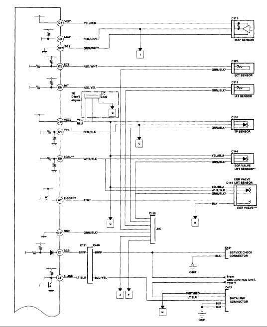
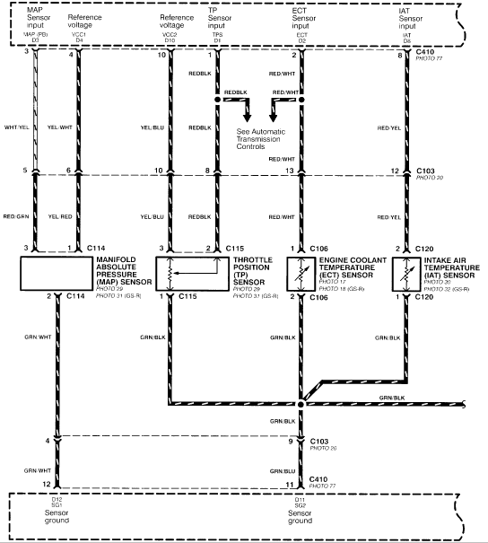
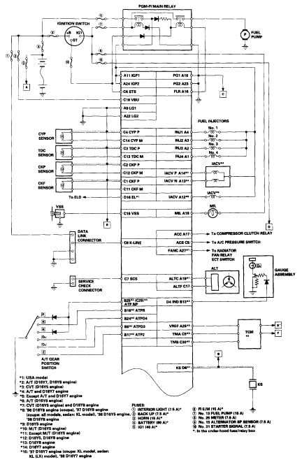
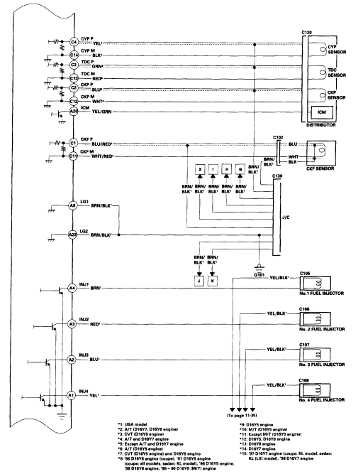
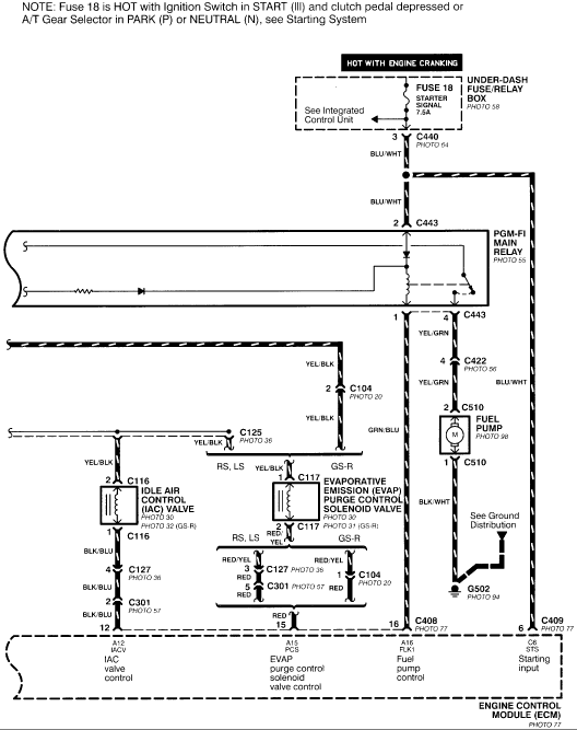
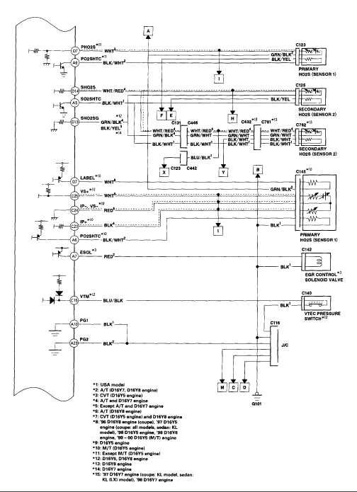
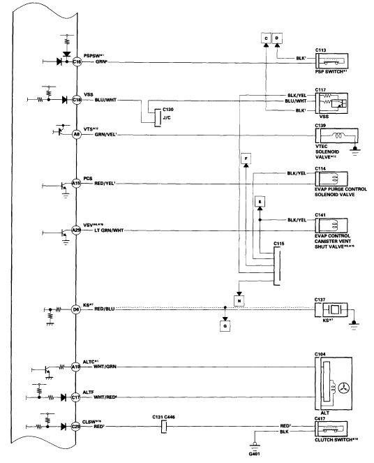
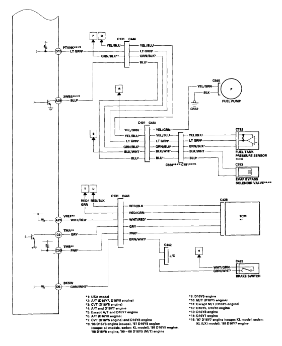
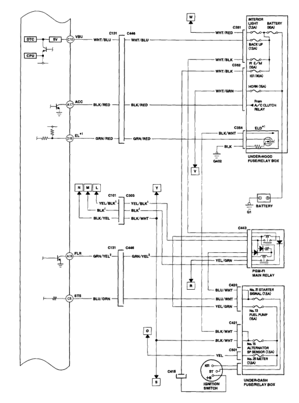
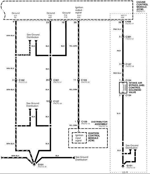
we just dropped my engine back in to my 99 civic ex. its a ls vtec. there are just a couple of connectors that and miss match and a few stray wires from the harness. does anyone have a diagram or know where i can get one with wire color codes and function. the harness is an ob2.
thanks in advance





Reply With Quote
