Results 1 to 6 of 6

Thread: Wiring diagram

Hybrid View

  1. #1
    IA Member
    Join Date
    Jun 2008
    Location
    PTC
    Age
    36
    Posts
    77
    Rep Power
    18

    Default Wiring diagram

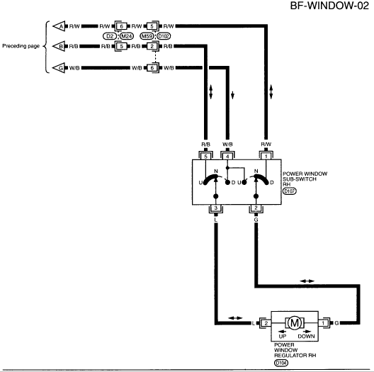
    Can someone please find a wiring diagram for my windows...? 95 240sx... I looked on google for an hour or so and can't find shiz.
    95 240sx
    - Godspeed RUCA
    - Godspeed Toe Rod
    - Godspeed Coilovers
    - Custom H.I.D. Projectors

  2. #2
    The H is back... CaTcH22's Avatar
    Join Date
    May 2009
    Location
    AccuracyPerformanceAutomotive
    Age
    45
    Posts
    985
    Rep Power
    18

    Default

    Sorry, i had a link but its not working.
    Last edited by CaTcH22; 08-16-2009 at 10:28 AM.
    500whp of spinnin fury!!!

  3. #3
    Barefoot Motorsports
    Join Date
    May 2003
    Location
    jonesboro
    Age
    42
    Posts
    7,939
    Rep Power
    36

    Default





  4. #4
    IA Senior Member punkr6's Avatar
    Join Date
    Sep 2005
    Location
    West palm beach
    Age
    59
    Posts
    9,355
    Rep Power
    41

    Default

    ^^the man^^

  5. #5
    IA Member
    Join Date
    Jun 2008
    Location
    PTC
    Age
    36
    Posts
    77
    Rep Power
    18

    Default

    Thanks a billion!
    95 240sx
    - Godspeed RUCA
    - Godspeed Toe Rod
    - Godspeed Coilovers
    - Custom H.I.D. Projectors

  6. #6
    Barefoot Motorsports
    Join Date
    May 2003
    Location
    jonesboro
    Age
    42
    Posts
    7,939
    Rep Power
    36

    Default

    np


Posting Permissions

  • You may not post new threads
  • You may not post replies
  • You may not post attachments
  • You may not edit your posts
  •  
About us
ImportAtlanta is a community of gearheads and car enthusiasts. It does not matter what kind of car or bike you drive, IA is an open community for any gearhead. Whether you're looking for advice on a performance build or posting your wheels for sale, you're welcome here!
Announcement
Welcome back to ImportAtlanta. We are currently undergoing many changes, so please report any issues you encounter with the site using the 'Contact Us' button below. Thank you!