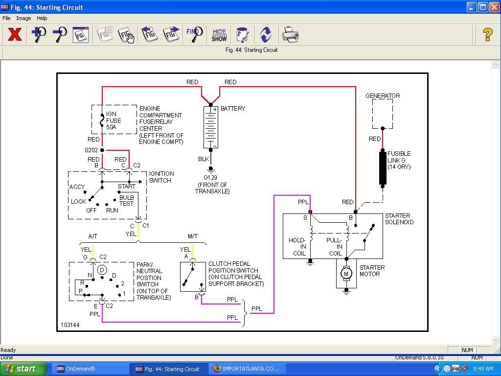
ok guys me and my boy done a motor swap for a old lady. its a stock 2.2L auto , the motor was Blown so badly from neglegence of changing oil . anyways , we got the new motor in and got everything hooked up and a good battery and when we try to crank it the starter doesnt engaged ie . Nothing happens except the fuel pump comes on .i tested the starter and its good .. checked all fuses , made sure all the grounds were getting good connection, Anti theft system is a go , so please tell me why when i turn the key it wont even spin over ? the motor spins freely and is not locked up by any means ........ we have had the car and been working on it now for about 2 weeks and its time to work on HONDA's ONLY .... tired of these dumbestics .... someone please help me out here ... i dunno wut else to check .![]()
![]()
![]()
![]()
![]()
![]()
![]()





Reply With Quote


